2025-08-22
高精度运放 | 力芯微推出高精度运算放大器ET85502
在科技日益发展的今天,智能手机摄像头已不再局限于简单的拍摄功能。近年来,随着TOF(Time of Flight,飞行时间)深度感知技术的快速发展,在3D感应领域的应用也越来越广泛,已逐渐成为智能手机3D摄像头创新发展的新引擎。
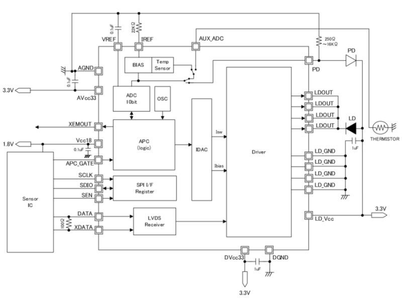
为了满足行业发展的需求,力芯微推出了用于3D TOF的激光二极管驱动芯片ET75016,它是3D TOF技术应用中的重要组件,为传感器提供可靠、高效的控制和保护,适用于需要精确测距和距离感知的领域,如智能手机人脸识别、3D建模、体感游戏、AR/VR手势交互等领域。
该芯片是一款高度集成的激光驱动芯片,采用小型WLCSP25封装,集成了多种关键功能,如自动功率控制(APC)、电流自动控制(ACC),扩散器输出检测、内置LVDS输入故障安全功能以及温度监控,OCP等。旨在提供高效且精确的激光驱动解决方案。
特点:
●电源电压范围:AVCC33 = DVCC33 = 3.0V~3.6V, LDVCC =3.0V~5.5V, VCC18 = 1.8V
●通用驱动能力:支持阳极共地和浮动激光驱动
●最大驱动电流3A
●内置LVDS输入故障安全功能
●APC(自动功率控制),ACC(自动电流控制)
●过电流检测,APC错误检测
●温度监控器:10bit ADC
●SPI接口时序
典型应用(应用线路图)

管脚定义(WLCSP25)

功能框图