2025-09-01
双路单刀双掷模拟开关 | 力芯微推出负信号传输音频开关
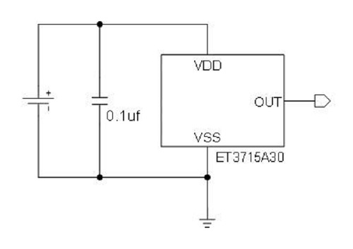
在便携式电子设备日益追求轻薄化与长续航的今天,传统机械开关已无法满足高集成度与低功耗的需求。ET3715A30应运而生,作为一款全极型霍尔效应开关IC,它通过磁感应技术实现无接触式检测,完美替代机械结构,大幅提升设备可靠性。其超低电压(1.0V~3.5V)与低功耗(典型10μA)的设计,专为电池供电的移动设备优化,助力产品在紧凑空间中实现智能化升级。
该芯片的超低电压供电可直接兼容纽扣电池/锂电池系统,其间歇工作低功耗模式,能显著延长电池寿命,适合常开型应用。芯片全极性(S & N)检测,无需区分磁极方向,简化安装设计,内置CMOS输出无需外接上拉电阻,抗干扰能力强,确保信号传输可靠。DFN4(1mm×1mm)微型化封装, 能为空间受限的PCB提供极致灵活性布局。
ET3715A30以“小体积、低功耗、高可靠”的核心优势,成为便携设备迈向智能化与节能化的理想选择,无论是提升产品竞争力,还是优化用户体验,它都能成为工程师设计中的关键助力。
特点:
●极性检测:全极性检测
●输出逻辑:低电平有效
●输出形式:CMOS 输出,无需外接上拉电阻
●工作点:BOP = 3.0 mT typ.
●工作周期:tCYCLE = 5.70 ms typ.
●工作电流:IDD = typ. 10.0 μA at 1.2 V
●电源电压范围:VDD = 1.0 V to 3.5 V
●工作温度范围:TA = -40°C to +85°C
●无铅(Sn 100%),无卤素
●超小型DFN4(1mm ×1mm)封装
典型应用

管脚定义
