2025-09-01
双路单刀双掷模拟开关 | 力芯微推出负信号传输音频开关
>>>>概述
ET3565支持1.0 V至5.5 V的宽输入电压范围,集成电荷泵驱动NMOS管以实现更低的导通阻抗,最高持续电流可达3A。接口电路支持最新的1.2V I/O标准,以满足各类平台应用场景。
ET3565可以选择IN/OUT双向供电,必要时可以通过关闭ON启动RCP来单侧供电,从而实现控制时序和降低功耗的效果。
>>>>特点(feature)
--集成N-Channel FET
--输入电压范围:1.0V to 5.5V
--超低导通内阻:17mΩ @ VIN = 5.5V
--开关最大持续导通电流:4A
--支持防反灌功能:Off RCB
--支持1.2V GPIO控制电平
--带输出软起功能
--封装:CSP6(1.36mm*0.86mm*0.55mm
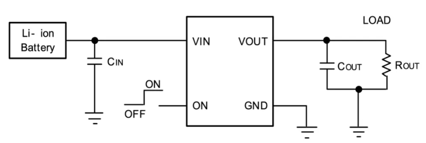
>>>>典型应用

>>>>管脚定义

>>>>功能框图

>>>>ET3565 核心特点
(1) ET3565具有全温度超低工作电流和待机电流


(2) ET3565在全电压和全负载下具有良好的导通内阻


(3)ET3565具有输出软起功能,可以有效抑制Inrush电流
